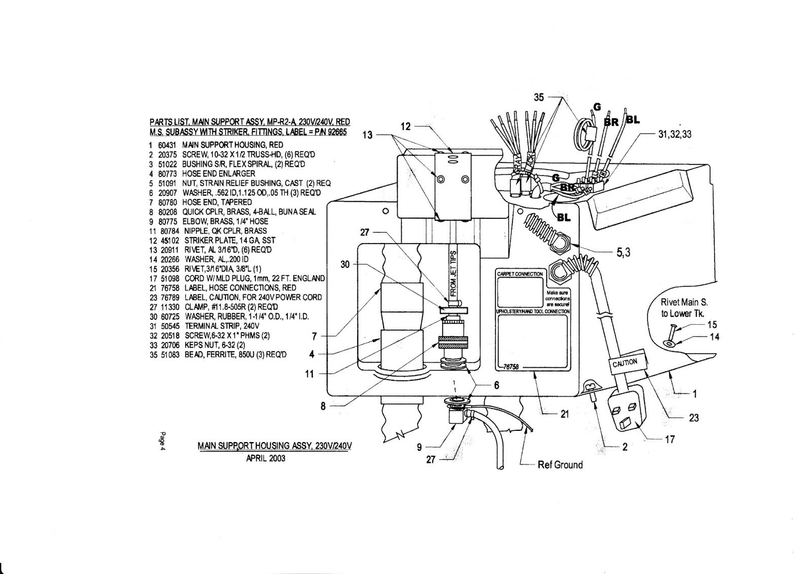
Rug Doctor MP-E-R2 A Parts List
This is probably quite a rare document, so if you happen to have a Rug Doctor MP-E-R2 A then this is the page for you!
Hi! My name is Sam Watson, and this blog is all about my collection of Vacuum Cleaner paperwork! Brochures, Instruction Manuals, Service Manuals and everything inbetween! If you collect, or have an interest in Vacuum Cleaners, this is where you need to be! To view brochures by Brand, click the Menu item in the top left corner, and choose your brand from the list of tags! Or just get scrolling and enjoy.
Comments
Post a Comment